PRODUCT DETAILS

Product benefits
  • Easy upgradeability of light source, driver and sensor (EVERLOOP design)
  • Suitable luminaire for VIVARES and other DALI-2 Light Management Systems
  • Highly versatile due to selectable CCT (Multi Color) on the driver
  • Indoor luminaire with high luminous efficacy up to 140 lm/W
  • High color consistency with SDCM 3
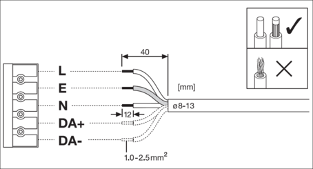
  • Tool-free electrical connection due to push button connector
  • Very homogenous light with a slight backlight effect
  • Extended services such as energy monitoring and remote maintenance possible with DALI versions
  • 5 years guarantee
Areas of application
  • Direct replacement for surface luminaires with integrated CFLni lamps
  • Corridors
  • Stairways
  • Bathrooms
  • Foyers
Product features
  • IoT-ready luminaire with DALI-2 technology
  • Suitable for central battery emergency installations acc. to EN 60598-2-22
  • Type of protection: IP54 (wall and ceiling)
  • Impact resistance: IK08
  • Lifetime (L80/B10): 100,000 h (at 25 °C), (L90/B10): 50,000 h (at 25 °C)
  • Polycarbonate (PC) housing, PC-diffuser
  • Ambient temperature in operation: -20…+45 °C
  • Glow Wire Test according to IEC 60695-2-12: 850 °C
  • 5-pole terminal block, cable cross section up to 5 x 2.5 mm²
  • Through-wiring possible
  • Indoor use only, not suitable for outdoor use
Equipment / Accessories
  • EVERLOOP luminaire: upgrades and replacements available
  • Decorative silver frame separately available
References / Links
Electrical data
Nominal wattage 27.00 W 1)
Nominal voltage 220…240 V
Mains frequency 0/50/60 Hz
Nominal current 120.000 mA
Inrush current 17.8 A
Inrush current time Th50 200 µs
Max. number of luminaires per miniature circuit breaker B16 11
Max. number of luminaires per miniature circuit breaker C10 10
Max. number of luminaires per miniature circuit breaker C16 16
Power factor λ > 0.90
Total harmonic distortion < 20 %
Protection class II
Operating mode Integrated LED driver
1) For possible options refer to lumen/power table image
Photometrical data
Luminous flux 3780 lm 1)
Luminous efficacy 140 lm/W 1)
Color temperature 3000 K / 4000 K
Light color (designation) Warm White, Cool White
Color rendering index Ra > 80
Standard deviation of color matching 3 sdcm
Low flicker Yes
Flickering metric (Pst LM) <1
Stroboscope effect metric (SVM) <0.4
Photobiological safety group acc. to EN62778 RG0
Beam angle 120 °
1) For possible options refer to lumen/power table image
Dimensions & Weight
Diameter 500.00 mm
Height 71.00 mm
Product weight 3129.00 g
Materials & Colors
Product color White
Housing color White
Body material Polycarbonate (PC)
Cover material Polycarbonate (PC)
Light emitting surface material Polycarbonate (PC)
Glow Wire Test according to IEC 60695-2-12 850 °C
Mercury content 0.0 mg
Application & Mounting
Ambient temperature range -20…+45 °C
Temperature range at storage -40…+80 °C
Type of connection Screwless terminal, 5-Pole (L, N, PE, DA+, DA-)
Type of protection IP54
Protection class IK (shock resistance) IK08
Dimmable Yes
Type of dimming DALI2
IoT ready Support of DALI data type PART 251, 252, 253 1)
Mounting type Surface
Mounting location Ceiling, Wall
Application environment Indoor
With light source Yes
Replaceable light source Yes
1) Internet of Things. Supports data transfer via gateway to cloud-based monitoring platforms, such as LEDVANCE VIVARES Cloud
Lifespan
Lifespan L70/B50 at 25 °C 100000 h 1)
Lifespan L80/B10 at 25 °C 100000 h 1)
Lifespan L90/B10 at 25 °C 50000 h
Number of switching cycles 100000
1) t[h]: L70 / B50 @ 25 °C (Ta), t[h]: L80 / B10 @ 25 °C (Ta), t[h]: L90 / B10 @ 25 °C (Ta)
Control gear
Output current 650 mA
ECG - Output ripple current < 5 %
Emergency lighting
Type of Emergency Lighting (EL) EL certified driver (0Hz / DC operation) for central battery operation included
Type of emergency operation test None
Wattage in emergency operation mode 5.5 W
Luminous flux in emergency operation mode 510 lm
Certificates & Standards
Standards CE, CB, ENEC, UKCA, EAC, EPD
Luminaire with limited surface temperature, "D sign" Yes
Ball shot safe No
EPD LEDV-00028-V01.01-EN
Replaceable light source (EPREL) Not replaceable
Additional product data
Added function EVERLOOP, MULTI SELECT, VIVARES
PRODUCT SHEET RELATING TO ENVIRONMENTAL QUALITIES AND CHARACTERISTICS
Minimum rate of recycled material in packaging 80 % 1)
Minimum percentage of recycled content in the product 0 % 1)
Product recyclability Mostly recyclable product 1)
Packaging recyclability Mostly recyclable packaging 1)
List of dangerous substances contained in the product in concentrations greater than 0.1% in mass percentage No
Contains substances of very high concern in concentrations greater than 0.1% by mass percentage Yes
List of substances of very high concern in concentrations greater than 0.1% in mass percentage Lead (7439-92-1)
1) According to AGEC Decree 2022-748 (French Anti-Waste-Legislation for a Circular Economy)
Product code Packaging unit (Pieces/Unit) Dimensions (length x width x height) Gross weight Volume
4099854292774 Folding box
1
77 mm x 507 mm x 507 mm 3390.00 g 19.79 dm³
4099854292781 Shipping box
4
520 mm x 327 mm x 530 mm 14410.00 g 90.12 dm³
Product image Product name Product brand Product component type GTIN
LISOEV 500 R 27W 830 840 SF FLAT LEDVANCE LIGHT SOURCE direct 4099854312236
OTi DALI 50/220...240/1A4 NFC OSRAM driver direct 4062172061889
MANUAL CONTROL UNIT SELECT DALI-2 LEDVANCE Light control 4058075837485
MANUAL CONTROL UNIT SELECT DALI-2 TW LEDVANCE Light control 4058075837508
MANUAL CONTROL UNIT SELECT DALI-2 EXCHANGEABLE COVER TW LEDVANCE Light control 4058075837522
MANUAL CONTROL UNIT TOUCH DALI-2 TW LEDVANCE Light control 4058075837560
MANUAL CONTROL UNIT TOUCH DALI-2 LEDVANCE Light control 4058075837546
PUSH CONTROL UNIT FLUSH MOUNT DALI-2 TW LEDVANCE Light control 4058075837584
SURFACE MOUNT FRAME LEDVANCE Light control 4058075843561
PUSHBUTTON COUPLER DALI-2 LEDVANCE Light control 4058075837607
FLEX CONTROL UNIT IOT DALI-2 HCL TW LEDVANCE Light control 4058075841888
FLEX CONTROL UNIT FLUSH MOUNT DALI-2 TW LEDVANCE Light control 4058075841901
FLEX CONTROL UNIT DALI-2 TW LEDVANCE Light control 4058075843844
FLEX CONTROL UNIT REAL-TIME-CLOCK DALI-2 HCL TW LEDVANCE Light control 4058075841925
SENSOR DALI-2 LIGHT/PRESENCE-6 INFRARED CEILING INTEGRATION LEDVANCE Light control 4058075837621
SENSOR DALI-2 LIGHT/PRESENCE-8 INFRARED CEILING INTEGRATION LEDVANCE Light control 4058075841949
SENSOR DALI-2 LIGHT/PRESENCE-40X5 INFRARED CEILING INTEGRATION LEDVANCE Light control 4058075843868
SENSOR DALI-2 LIGHT/PRESENCE-24 INFRARED CEILING MOUNTING LEDVANCE Light control 4058075843882
SENSOR CEILING MOUNTING KIT LEDVANCE Light control 4058075843905
User instruction / safety instructions
UI Surface Flat
Legal information
LISO Insert SF FLAT
Legal information
Legal Insert SF FLAT
Legal information
Informationstext 18 Abs 4 ElektroG
Declarations of conformity
CE Declaration SF FLAT DALI
Certificates
ENEC SF FLAT
EPD
EPD EN SURFACE FLAT
EU Data Act
DALI LED Driver and Luminaires
Product image: white background, diagonal
SF FLAT RD 500 P
Product image: white background, upright
SF FLAT RD 500 P
Product line drawing with letters
SF FLAT RD 500 27W CPS
Product line drawing with numbers
SF FLAT RD 500 27W CPS
Product line drawing - technical
SF FLAT RD 500 27W CPS
Beauty Shot
SF FLAT R 500
Combo Shot = Product Beauty Shot + Packaging Image
SF FLAT RD DALI 500 P 27W CS
Packaging image, frontal
SF FLAT RD DALI 500 P 27W CS
Packaging image, spacial
SF FLAT RD DALI 500 P 27W CS
Catalog info 1
Catalog info 1 SF FLAT
Catalog info 2
Catalog info 2 SF FLAT
Catalog info 3
Catalog info 3 SF FLAT
Catalog info 4
Catalog info 4 SF FLAT
Catalog info 5
Catalog info 5 SF FLAT
IES file (IES)
SF FLAT RD DALI 500 P 27W 3000K 3600lm
IES file (IES)
SF FLAT RD DALI 500 P 27W 4000K 3780lm
LDT file (Eulumdat)
SF FLAT RD DALI 500 P 27W 3000K 3600lm
LDT file (Eulumdat)
SF FLAT RD DALI 500 P 27W 4000K 3780lm
ULD file (DIALux)
SF FLAT RD DALI 500 P 27W CS
ROLF file (RELUX)
SSF FLAT RD DALI 500 P 27W CS
UGR file (UGR table)
SF FLAT RD DALI 500 P 27W 3000K 3600lm
UGR file (UGR table)
SF FLAT RD DALI 500 P 27W 4000K 3780lm
Light distribution curve type cone
SF FLAT RD DALI 500 P 27W 3000K 3600lm
Light distribution curve type cone
SF FLAT RD DALI 500 P 27W 4000K 3780lm
Light distribution curve type polar
SF FLAT RD DALI 500 P 27W 3000K 3600lm
Light distribution curve type polar
SF FLAT RD DALI 500 P 27W 4000K 3780lm
BIM Revit 3D
Surface Flat
CAD STEP 3D
SF FLAT RD 500
Tender documents
SURFACE FLAT ROUND DALI 500 P 27W CS-EN
Application pictures
Surface Flat Round Foyer lights on
Application pictures
Surface Flat Round Foyer lights off
Application pictures Getty
Surface Flat Round Hospital light on
Application pictures Getty
Surface Flat Round Hospital lights off
EAN SEG number STK number EFO number ELDAS number
4099854292774 7511156 4152055 3378127 941201050